逆變器/電力專用UPS常見故障分析和處理方法
日期:2025-03-17 瀏覽次數: 5069
逆變電源
1.1維護保養
1)為了保證逆變電源連續正常運行,要求經常進行維護和保養。
2)逆變電源的安裝和存放應盡量避開高腐蝕性、高粉塵性、高溫、高濕性環境。
3)避免金屬物質落入箱體內。
4)定期檢查連接線是否老化,電纜連接點是否緊固、安全。
5)定期清潔冷卻風扇并檢查風扇是否正常。
1.2維修旁路斷路器的操作
在線負載不斷電更換,針對現場安裝有維修旁路斷路器的機型(參考電源系統結構的原理圖)當逆變器需要維護或者維修更換時,才能使用維修旁路斷路器,方法如下:
1)斷開直流輸入斷路器,此時逆變器自動轉旁路輸出。
2)閉合維修旁路斷路器(閉合前測量斷路器同相的上下端電壓要<3V)。
3)斷開旁路輸入斷路器。
4)斷開交流輸出斷路器,關閉電源開關,此時整個逆變器均無帶電,可以開始更換或維護。
更換或檢修正常后,確認逆變器主機的的接線是否鎖緊以及連接是否正確,恢復逆變器供電的方法如下:
1)閉合旁路輸入斷路器,打開電源開關。
2)閉合交流輸出斷路器(閉合前測量斷路器同相的上下端電壓要<3V)。
3)斷開維修旁路斷路器。
4)閉合直流輸入斷路器。
1.3逆變器常見故障分析表
當逆變器出現故障時,前面板的紅色信號指示燈將會亮起,并根據不同的故障情況表現為長亮和報警或閃爍。此時可通過察看前面板的指示燈來判斷故障原因,參照下圖做相應的處理。
LED及蜂鳴器組合狀態表
|
“市電”
|
“逆變”
|
“電池”
|
“負載”
|
“過溫”
|
蜂鳴器
|
1)市電輸出
|
亮
|
滅
|
|
|
|
|
2)逆變輸出
|
滅
|
亮
|
|
|
|
|
3)直流過壓
|
|
|
1秒1閃
|
|
|
1秒1聲
|
4)直流欠壓
|
|
|
3秒1閃
|
|
|
3秒1聲
|
5)超載150%
|
|
|
|
亮
|
|
長鳴
|
6)超載125~150%
|
|
|
|
1秒1閃
|
|
1秒1聲
|
7)超載100~125%
|
|
|
|
3秒1閃
|
|
3秒1聲
|
8)過溫
|
|
|
1秒1閃
|
1秒1閃
|
1秒1閃
|
1秒1聲
|
9)逆變故障
|
|
|
亮
|
亮
|
亮
|
長鳴
|
說明: A) 空白表格表示需參考相關項目
例如:“市電”亮,“逆變”滅,“電池” 1秒1閃,“負載”滅,蜂鳴器1秒1聲
含義:處于市電輸出狀態,直流輸入過壓,負載正常,無過溫。
故障現象
|
可能原因
|
解決方法
|
電池、負載、過溫
LED長亮
|
負載異�;蚪涣鬏斎虢拥浇涣鬏敵�,輸出并聯
|
檢查負載是否短路或異常,檢查交流輸入交輸出接線是否接對,檢查輸出是否存在并機現象。
|
電池、負載、過溫
LED閃
|
因內部過熱而關閉輸出
|
風扇是否轉,通風口沒有堵塞,室內溫度未過高,減輕負載,等待10分鐘讓電源冷卻,然后重新啟動。
|
負載LED亮,蜂鳴器長鳴
|
負載超載100%以上或因內部故障而關閉
|
檢查輸出負載是否過大,去掉多余,重新啟動。
|
電池LED亮或閃爍
|
輸入直流電壓異常
|
1、 直流輸入電壓是否符合要求,是否電壓過低過高。
2、 主機上的電源開關是否打開。
|
RS485通訊連不上
|
1、 監控協議不匹配
2、 波特率和校驗不匹配
3、端口A和B接反
4、UPS和監控地址不同
|
1、根據產品蓋板上的標簽,在監控里面選擇正確的協議、波特率、校驗方式等,兩臺以上通訊時,機器地址要設成不一樣的地址。
2、檢查接線是否正確,AB線對調試一下。
3、檢查地址是否正確定。
|
市電接入時,市電燈不亮,
|
市電電壓和頻率超出電源輸入范圍
|
檢查市電電壓和頻率是否超出電源輸入范圍。
檢查面板上的電源開關有沒有打開。
|
直流接入時,打開電源開關機器無反應
|
輸入直流電壓不符合要求或過低,輸入接正負極接反。
|
檢查直流輸入電壓是否符合要求,是否電壓過低,輸入是否接反。
|
客戶直流輸入空開合不上
|
1、選擇大容量的空開
2、機器內部故障短路
|
換電流大一點的空開,空開電流按產品額定電流的1.5倍以上配備,如果還合不上,可能機器內部有問題或出現短路。
|
1、直流逆變和旁路之間不能切換。
2、主供方式不對。
|
1、市電電壓和頻率超出電源輸入范圍。
2、后面板上的撥碼開關撥錯位置。
|
1、檢查市電電壓和頻率是否超出電源輸入范圍。
2、查看撥碼開關有沒有撥對相應位置。
|
注:本機器所謂的重啟是指:要斷直流輸入和交流輸入,關閉電源開關
如果故障現象依然存在,請盡快與經銷商或廠家聯系,請忽自行拆卸!
工頻在線式UPS
一、操作程序
(一) 開機前準備工作:
為使UPS能正常無誤運轉開機前請確認下列事項。
1. 確認后板上電力開關置于OFF處。
2. 確認是否安裝了地線。
3. 用手搖動輸入電源線,看看是否有松動情形,如有松動則再鎖緊。
4. 負載不接。
5. 用電表檢查輸入電壓是否合乎UPS所需。
(二) 第一次開機操作程序:
在確認上列事項無誤后,請依下列方法開機:請參考下圖。
1. 請先將后板上電力開關(針對有配備的機器)往上扳為ON 。主機操作面板輸入指示燈與旁路指示燈同時亮起,如下圖。

2. 按下ON組合鍵大約5秒后,啟動逆變器,如下圖。操作面板輸入指示燈與旁路指示燈持續明亮,按下UP鍵,LCD顯示輸入正常,旁路正常,電池正常,由市電經旁路供電輸出。

3. 經過20秒后操作面板輸入指示燈明亮,旁路指示燈熄滅,逆變指示燈明亮,LCD顯示輸入正常,旁路正常,電池正常,由UPS逆變器供電輸出,如下圖。
4. 切斷UPS輸入電源,市電指示閃爍(1次/1.5S),旁路燈閃爍(1次/1.5S),LCD顯示輸入異常,旁路異常,電池正常,由UPS逆變器供電輸出。

5. 恢復UPS輸入電源,市電指示燈亮起,按下LCD顯示UP/DOWN鍵切換顯示項目,檢查顯示值是否正常,即完成第一次開機程序。
6. 按下LCD顯示UP/DOWN鍵切換顯示各項目運行參數是否正常。
(三) 串口參數設置
按下UP和DOWN組合鍵,進行串口參數設置,顯示如下圖,按下UP鍵或DOWN鍵可以更改光標對應行所顯示的參數值。按下ENTER鍵可確認光標對應行的參數值,同時光標移動到下一行,按ESC鍵可退出當前界面。初次操作時,請根據需要設置好各串口的參數值。

(四) 日常開關機操作程序:
日常使用中如欲開機或關機,請依下列方法操作 :
1. UPS日常關機時,按下OFF組合鍵即可關機。此時UPS處于旁路狀態,輸出由旁路供電。
2. UPS日常開機時,按下ON組合鍵即可激活。
長時間不用開關機操作程序:
1. 如超過10天不使用UPS時,請先按下OFF組合鍵關機后,再將位于主機后蓋的空氣開關置于OFF處。
2. 如超過3個月以上不使用時,請依照第一次開機方法,讓UPS運轉。
UPS運轉狀況顯示及不正常時的處理方式:
請對UPS面板的指示燈、LCD顯示值及蜂鳴器的鳴叫聲,即可得知UPS運轉是否異常,若UPS異常運轉,請依面板指示狀況對應的處理方式處理。
1. 可通過面板故障代碼快速查詢當前故障,故障代碼頁面顯示狀況如下圖:
故障代碼
|
故障說明
|
001
|
系統故障
|
002
|
驅動故障
|
003
|
過溫故障
|
004
|
逆變高低壓故障
|

2. 面板顯示狀況如下:

(1) UPS運轉狀況:UPS正常運轉,負載滿載使用。
(2) 處理方式: 不需處理。
3. 面板顯示狀況如下:

(1) UPS運轉狀況:市電以正常供電,UPS正常運轉。
(2) 處理方式: 不需處理。
4. 面板顯示狀況如下:

(1) UPS運轉狀況:市電正常供電,UPS正常運轉,直流源電力不足。
(2) 處理方式:請查看直流源部分。
5. 面板顯示狀況如下:

(1) UPS運轉狀況:市電正常供電,且轉由市電供電。操作面板UPS開機按鍵未按下,UPS未啟動。
(2) 處理方式:請依狀況處理流程圖一B處理。
6. 面板顯示狀況如下:

(1) UPS運轉狀況:UPS過載125%運轉,負載超載指示燈明亮,蜂鳴器長鳴叫警告。
(2) 處理方式:請減少負載,使LCD輸出功率顯示值 <100%。
若減輕負載后狀況依然不變,請依狀況處理流程圖二處理。
7. 面板顯示狀況如下:

(1) UPS運轉狀況:市電正常供電,UPS異常運轉,轉由旁路供電。
(2) 處理方式:請依狀況處理流程圖三處理。
8. 面板顯示狀況如下:

(1) UPS運轉狀況:市電斷電(市電指示燈閃爍),旁路指示燈閃爍,由直流源供電,負載滿載使用。
(2) 處理方式:若市電確實停電,請減少不必要的負載以增加使用時間。若不正常斷電請依狀況處理流程圖一A處理。
9. 面板顯示狀況如下:

(1) UPS運轉狀況:交流輸入斷電,由直流源供電,直流源能量指示燈閃爍。
(2) 處理方式: UPS即將自動關機,請立即保存重要資料及關機準備。
10. 面板顯示狀況如下:

(1) UPS運轉狀況:可能市電斷電且電池電力用盡,UPS自動關機。
(2) 處理方式:等待市電供電后,UPS會自動再啟動運轉。
若長時間(六小時以上)停電,請依長時間開關機程序關機。
A. 單機部分
(一)UPS 系統架構方塊圖:如圖所示。
 
(二)UPS正常運轉時的運作方法:
1.當UPS初始上電后,市電經旁路開關到靜態切換開關輸出,給負載供電。

2.正常工作時,整流輸入經輸入隔離變壓器后送到整流器,轉 變成直流,再送到逆變器,由逆變器轉換成純凈的正弦波電源,經靜態開關轉換輸出,給負載供電。

3.當市電斷電后,直流電源經UPS轉成純凈的正弦波電源,經靜態開關轉換輸出,給負載供電。

(三)UPS逆變器停止運作:
當UPS有下列五種狀況,UPS跳轉旁路供電輸出,逆變器關閉。
1.超載(OVER LOAD)。
2.UPS故障(INVERTER FAILURE)。
3.開機時,按下On組合鍵,5秒之內,UPS緩激活運轉中。
4.按下Off組合鍵關機后。
5.UPS內部過溫度運轉。
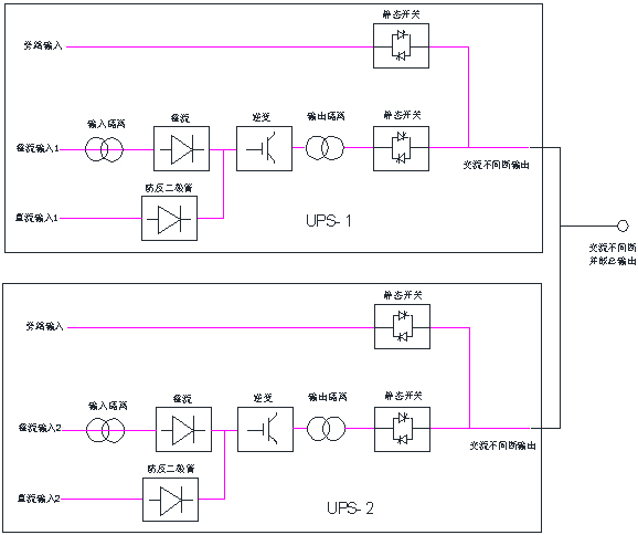
B. 并機部分
(一)UPS 系統架構方塊圖:如圖所示。
UPS系統架構方塊圖
(二)UPS正常運轉時的運作方法:
當UPS初始上電后旁路輸入經過靜態開關輸出。正常運轉時,整流輸入電源經輸入隔離變壓器后,由整流器整成直流電,經逆變器轉成純凈的正弦波電源,再經由靜態開關斷開旁路輸出,由純逆變電源輸出送至用戶設備使用。
(三)市電斷電時,UPS的運作方法:
當市電斷電時,由直流源供給逆變器逆變后由靜態開關輸出,送至設備使用。
(四)系統故障時的運作方法:
1.其中一臺主機出現故障時,該機自動退出系統,不影響它機,由另一臺主機輸出向設備供電。
2.整個并機系統都出現故障時,整個系統由旁路輸出供電。
3.當主機出現過載時,此時整個系統的負載沒有減少,所有單機將退出系統,整個系統將切換到旁路輸出,負載恢復到正常水平,所有的主機將自動返回正常逆變狀態,由逆變提供電源。
(五)UPS逆變器停止運作:
當UPS有下列六種狀況,UPS跳轉旁路供電輸出,逆變器關閉。
1.超載(OVER LOAD)。
2.UPS故障(INVERTER FAILURE)。
3.開機時,按下On組合鍵,5秒之內,UPS緩激活運轉中。
4.按下Off組合鍵關機后。
5.UPS內部過溫度運轉。
6.UPS內部母線電壓高壓。
|